Описание
Характеристики
Отзывы
Сопутствующие файлы
Вопрос-Ответ 0
Контроллер HMI-VR-500
Предназначен для управления одним или группой (до 15 шт.) тепловентиляторов Volcano EC. Контролирует скорость вращения двигателя вентилятора, а так же работу крана с электроприводом для подачи теплоносителя в автоматическом или ручном режиме.
Функции:
- Отображение текущей температуры внутри помещения
- Регулирование температуры
- Установка и индикация скорости вентилятора
- Автоматическое управление скоростью вентилятора в диапазоне 0-100%
- Ручное управление скоростью вентилятора
- Календарь с возможностью программирования температурного режима по дням недели и по времени суток
- Встроенный датчик температуры
- Возможность подключения внешнего датчика температуры
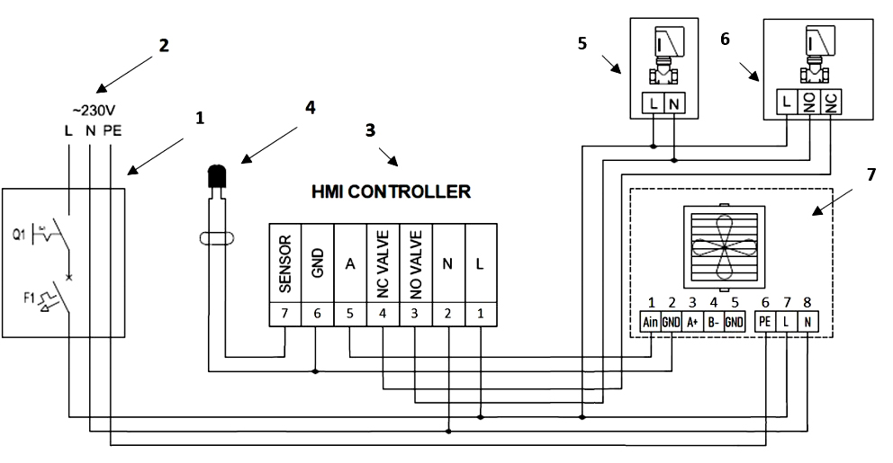
Схема подключения:

- Главный выключатель
- Питание 230V
- Контроллер HMI
- Внешний датчик NTC (опционально)
- Клапан штоковый двухходовой с сервоприводом NVMZ (нормально закрытый)
- Кран шаровый двухходовой с сервоприводом TR-10-01
- Воздушно-отопительный агрегат Volcano EC
VolcanoВсе товары бренда

Польша, Турция — страна производства
Характеристики
Общие характеристики
Бренд:
Родина бренда:
Польша
Вид комплектующего:
Комплектующие для
тепловентиляторов Volcano EC
Цвет:
Серый
Тип двигателя:
Монтаж (установка)
Вариант установки
Для настенной установки
Габаритные размеры
Размер (Ш×В×Г), мм:
85 × 97 × 41
Вес, кг:
0.12
Размеры в упаковке (Ш×В×Г), мм:
95 × 105 × 50 мм
Отзывов ещё нет — ваш может стать первым.
Все отзывы 0
Спасибо!Ваш отзыв появится на сайте после проверки.
Сопутствующие файлы
- HMI-500 art-1-4-0101-500.pdf (699.69 KBytes) - Инструкция Контроллер HMI-500, арт. 1-4-0101-500
Подборки товаров в категории









































